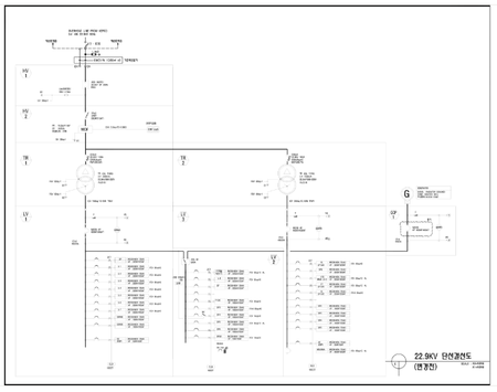
AI를 활용한 전기 도면 내 BOM 추출: Azure OpenAI GPT-5.4 + Azure Document Intelligence

AI를 활용한 전기 도면 내 BOM 추출: Azure OpenAI GPT-5.4 + Azure Document Intelligence

Microsoft 2026.04.22
원문 읽기